最初のページ
HOME
私たちについて
ABOUT
会社の概要
執務環境
パートナー
工業製品
Product
タツタ電線
明治センサー
スイデン
精奇科技
森本精密
万鑫精工
工業情報
News
お問い合わせ
Contact us
中文
/
JPN
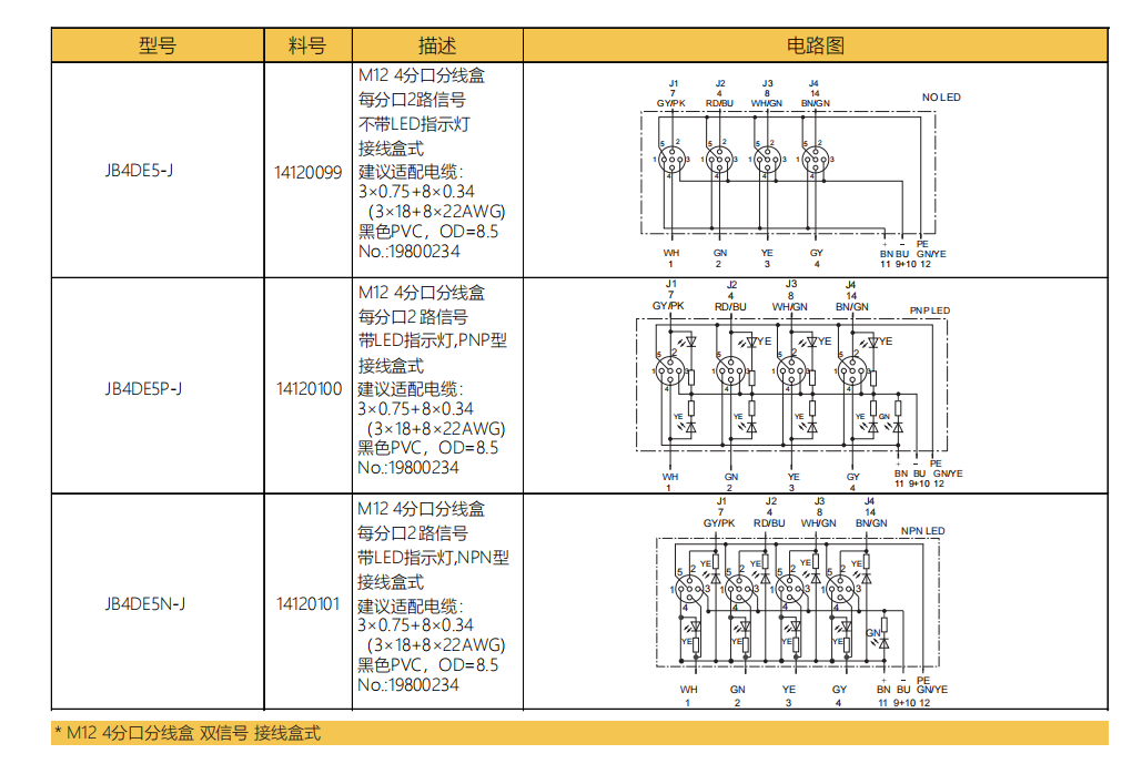
M 12 4スプリットスプリットボックス-デュアル信号-配線ボックス
关键词:虹福科技(天津)有限公司
日期:2023-08-26 13:24:21
我要分享
M 12 4タップ分線ボックス-デュアル信号-水平M 23ソケット式
M 12 4タップ分線ボックス-デュアル信号-垂直M 23ソケット式
返回