最初のページ
HOME
私たちについて
ABOUT
会社の概要
執務環境
パートナー
工業製品
Product
タツタ電線
明治センサー
スイデン
精奇科技
森本精密
万鑫精工
工業情報
News
お問い合わせ
Contact us
中文
/
JPN
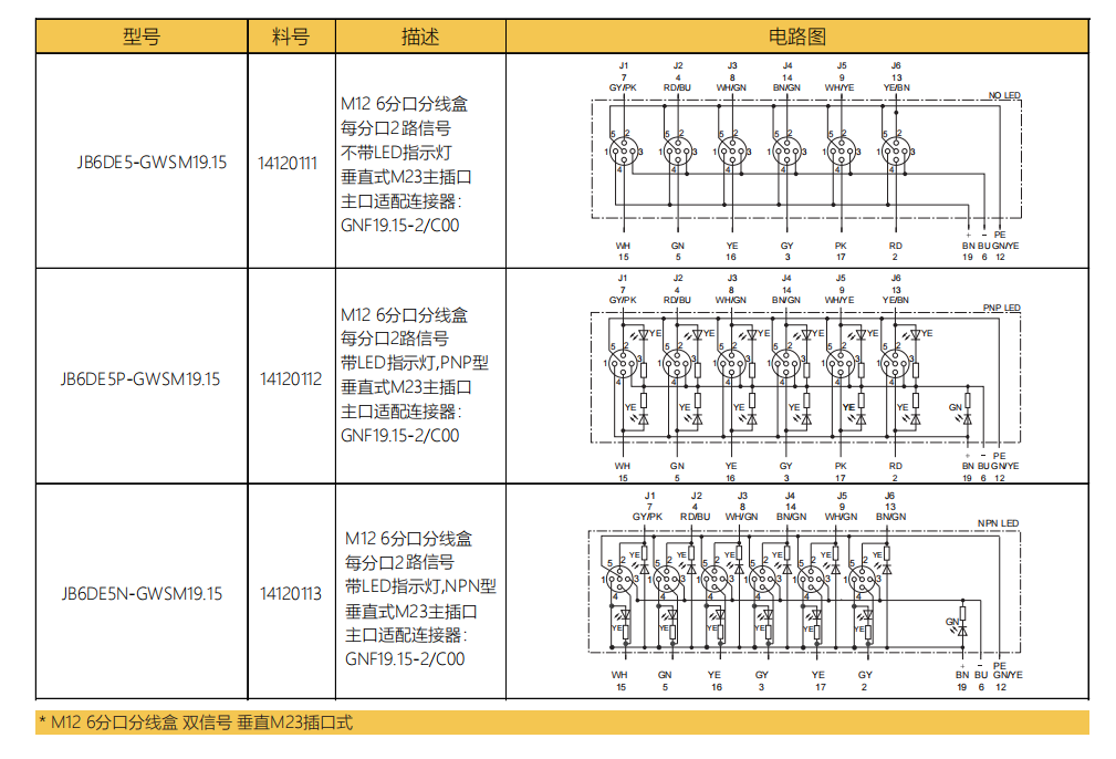
M 12 6タップ分線ボックス-デュアル信号-垂直M 23ソケット式
关键词:虹福科技(天津)有限公司
日期:2023-08-26 13:27:57
我要分享
M 12 6スプリットスプリットボックス-デュアル信号-端子ボックス
M 12 6タップ分線箱-単信号-直出線式
返回