最初のページ
HOME
私たちについて
ABOUT
会社の概要
執務環境
パートナー
工業製品
Product
タツタ電線
明治センサー
スイデン
精奇科技
森本精密
万鑫精工
工業情報
News
お問い合わせ
Contact us
中文
/
JPN
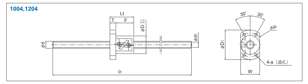
圧延ボールネジ/精度等級C 10:MVシリーズ
关键词:虹福科技(天津)有限公司
日期:2023-10-27 11:52:48
我要分享
圧延ボールネジ/精度レベルC 10:MYシリーズ
ボールネジ仕様
返回