最初のページ
HOME
私たちについて
ABOUT
会社の概要
執務環境
パートナー
工業製品
Product
タツタ電線
明治センサー
スイデン
精奇科技
森本精密
万鑫精工
工業情報
News
お問い合わせ
Contact us
中文
/
JPN
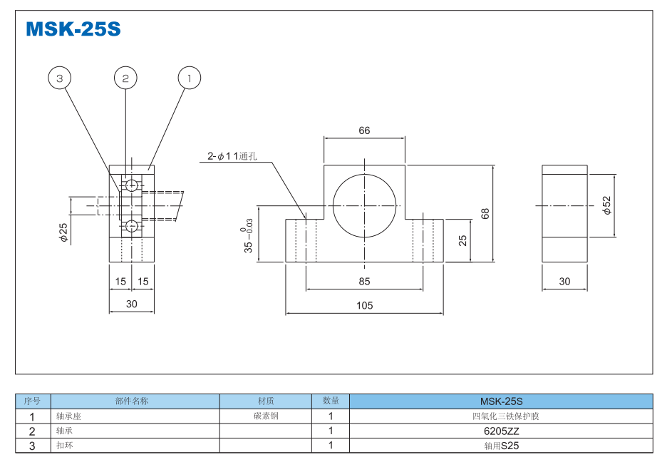
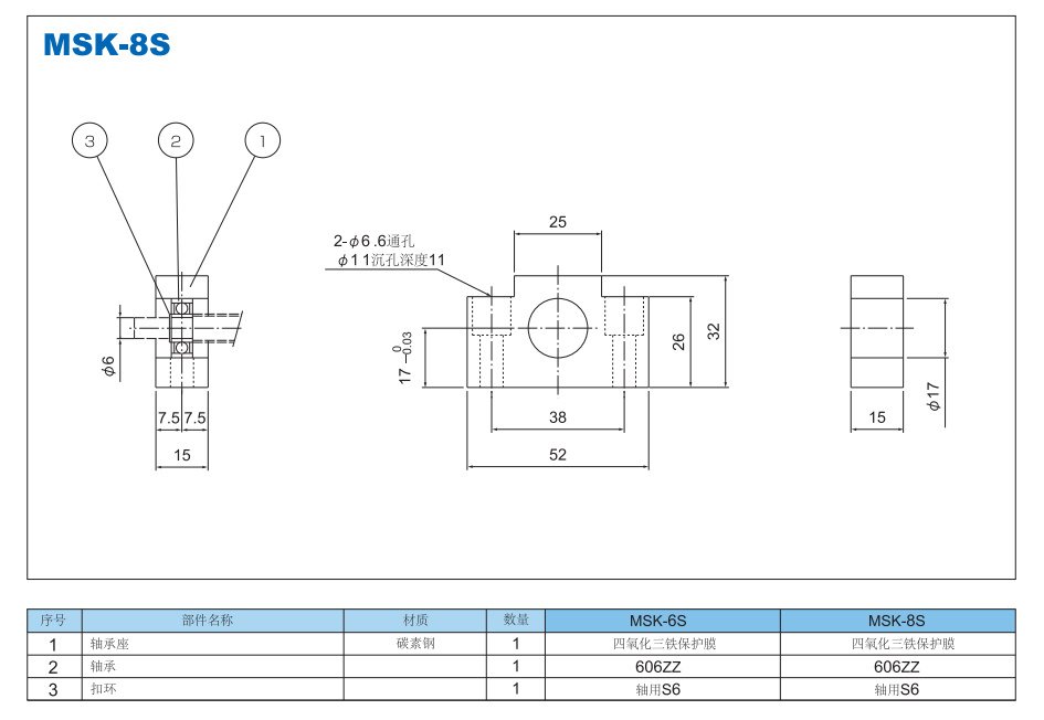
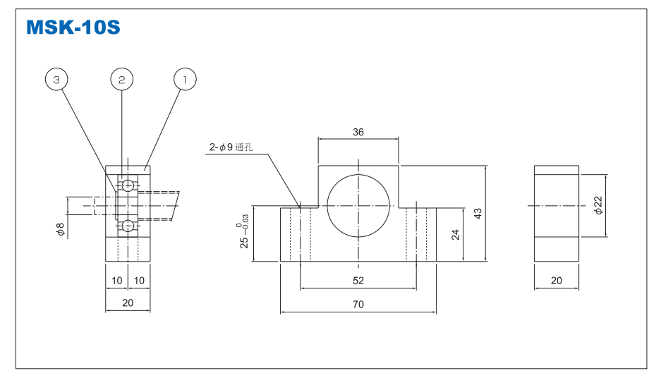
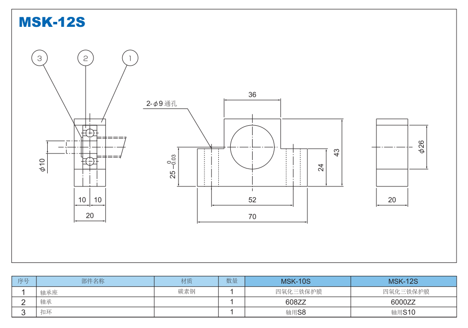
ワイヤロッドホルダアセンブリ支持側
关键词:虹福科技(天津)有限公司
日期:2023-10-27 14:24:24
我要分享
ネジホルダアセンブリ使用時の圧延ボールネジ軸端推奨寸法
ロッドホルダアセンブリ固定(駆動)側-円型
返回