最初のページ
HOME
私たちについて
ABOUT
会社の概要
執務環境
パートナー
工業製品
Product
タツタ電線
明治センサー
スイデン
精奇科技
森本精密
万鑫精工
工業情報
News
お問い合わせ
Contact us
中文
/
JPN
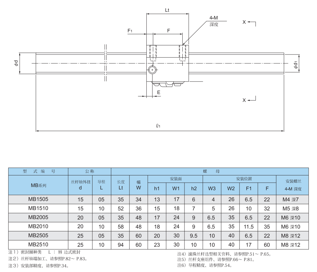
ブロックナット圧延ボールネジ-精度精密C 10:MBシリーズ
关键词:虹福科技(天津)有限公司
日期:2026-01-12 13:28:59
我要分享
圧延ボールネジ-精度等級C 7:MWシリーズ
圧延ボールネジ-精度レベルC 10:MYシリーズ
返回