最初のページ
HOME
私たちについて
ABOUT
会社の概要
執務環境
パートナー
工業製品
Product
タツタ電線
明治センサー
スイデン
精奇科技
森本精密
万鑫精工
工業情報
News
お問い合わせ
Contact us
中文
/
JPN
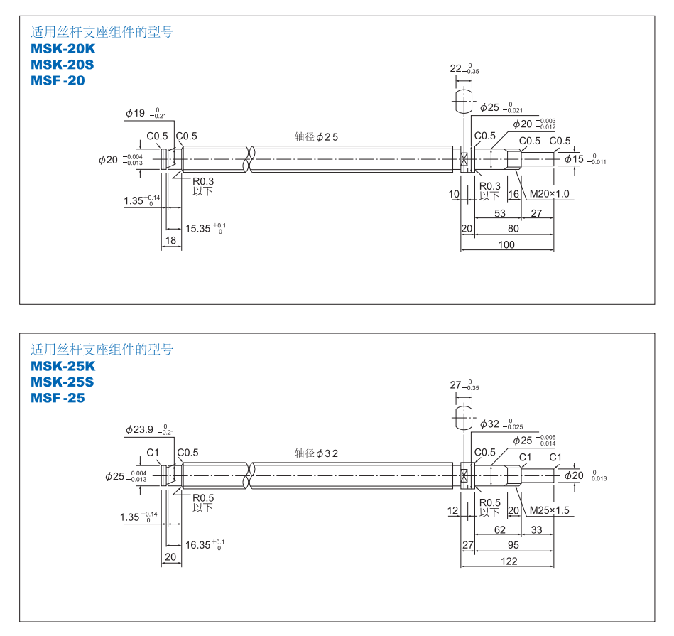
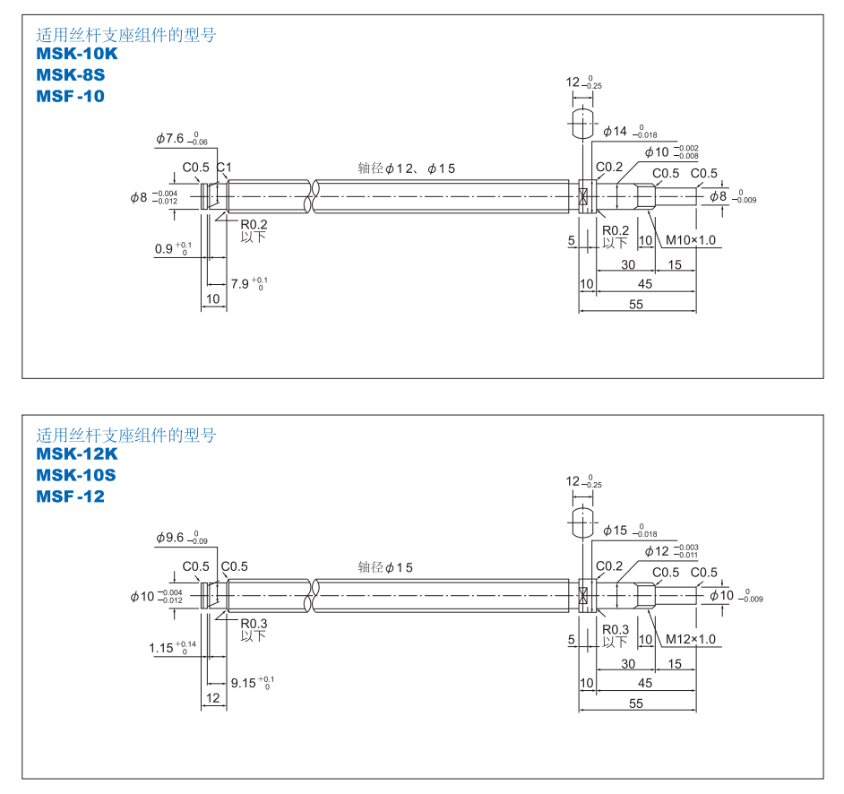
ネジホルダアセンブリを使用する場合は圧延ボールネジの軸端寸法を使用することを推奨します
关键词:虹福科技(天津)有限公司
日期:2026-01-12 15:44:14
我要分享
ラダーロッド
ネジホルダアセンブリ使用時の圧延ボールネジ軸端推奨寸法
返回