最初のページ
HOME
私たちについて
ABOUT
会社の概要
執務環境
パートナー
工業製品
Product
タツタ電線
明治センサー
スイデン
精奇科技
森本精密
万鑫精工
工業情報
News
お問い合わせ
Contact us
中文
/
JPN
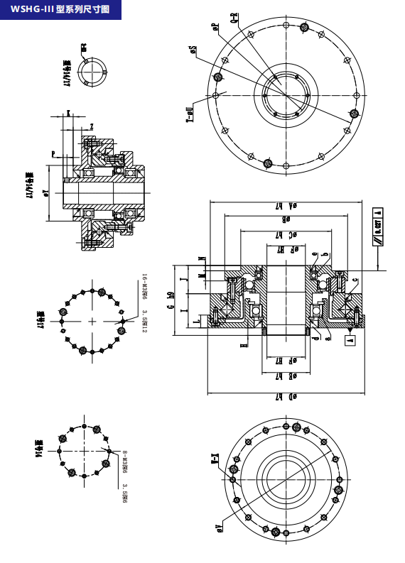
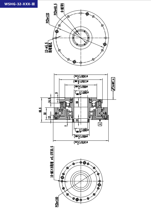
精密高調波減速機-WSHG-III型シリーズ
关键词:虹福科技(天津)有限公司
日期:2026-01-14 14:16:28
我要分享
精密高調波減速機-WSHG-IV型シリーズ
精密高調波減速機-WSHG-II型シリーズ
返回