最初のページ
HOME
私たちについて
ABOUT
会社の概要
執務環境
パートナー
工業製品
Product
タツタ電線
明治センサー
スイデン
精奇科技
森本精密
万鑫精工
工業情報
News
お問い合わせ
Contact us
中文
/
JPN
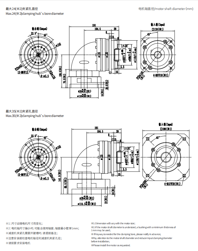
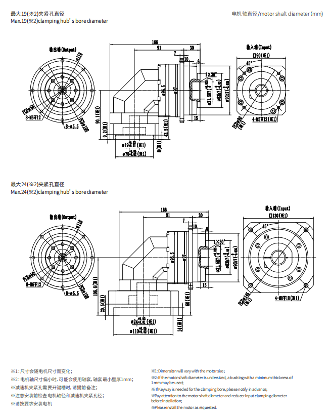
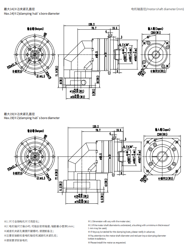
精密プラネタリーリダクションモーター-WTHRシリーズ-高剛性-回転角
关键词:虹福科技(天津)有限公司
日期:2026-04-17 14:18:23
我要分享
精密惑星減速機-WSHRシリーズ-高剛性-回転角
精密惑星減速機-WSHシリーズ-高剛性-同軸
返回