最初のページ
HOME
私たちについて
ABOUT
会社の概要
執務環境
パートナー
工業製品
Product
タツタ電線
明治センサー
スイデン
精奇科技
森本精密
万鑫精工
工業情報
News
お問い合わせ
Contact us
中文
/
JPN
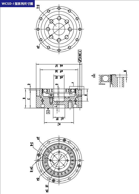
精密谐波减速机-WCSD-I型系列
关键词:虹福科技(天津)有限公司
日期:2026-04-21 12:57:47
我要分享
精密RV减速机目录
精密高調波減速機-WSHD-I型シリーズ
返回