最初のページ
HOME
私たちについて
ABOUT
会社の概要
執務環境
パートナー
工業製品
Product
タツタ電線
明治センサー
スイデン
精奇科技
森本精密
万鑫精工
工業情報
News
お問い合わせ
Contact us
中文
/
JPN
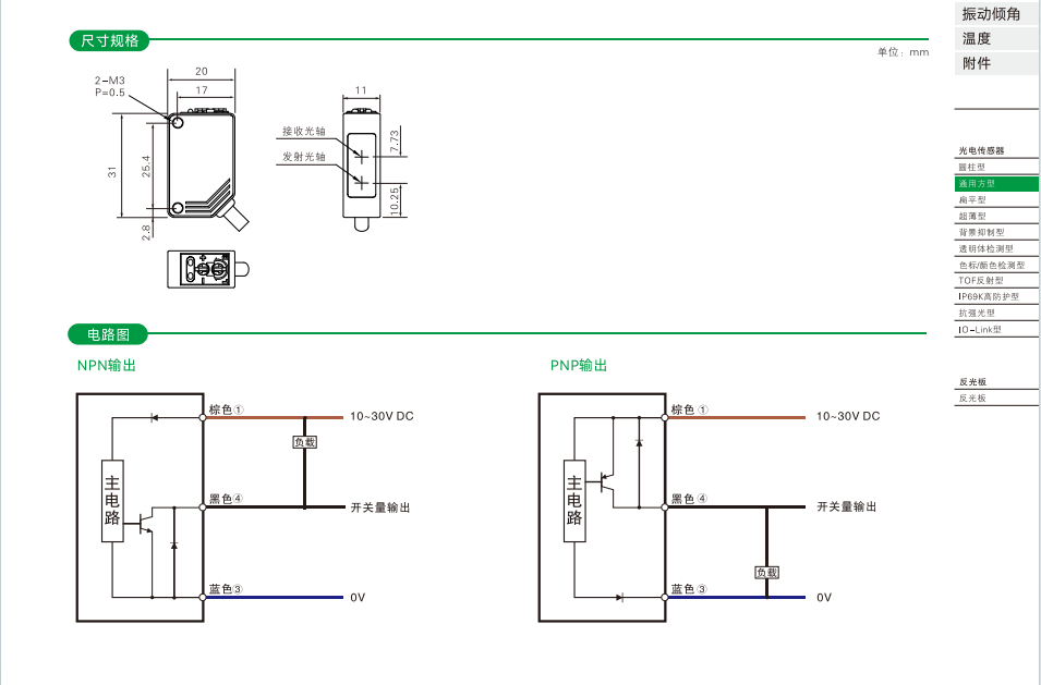
光電センサ-汎用角型-PTVシリーズ
关键词:虹福科技(天津)有限公司
日期:2023-12-05 14:58:52
我要分享
光電センサ-IO-Link型-PTZ-Cシリーズ
光電センサ-耐強光型-PTLシリーズ
返回