最初のページ
HOME
私たちについて
ABOUT
会社の概要
執務環境
パートナー
工業製品
Product
タツタ電線
明治センサー
スイデン
精奇科技
森本精密
万鑫精工
工業情報
News
お問い合わせ
Contact us
中文
/
JPN
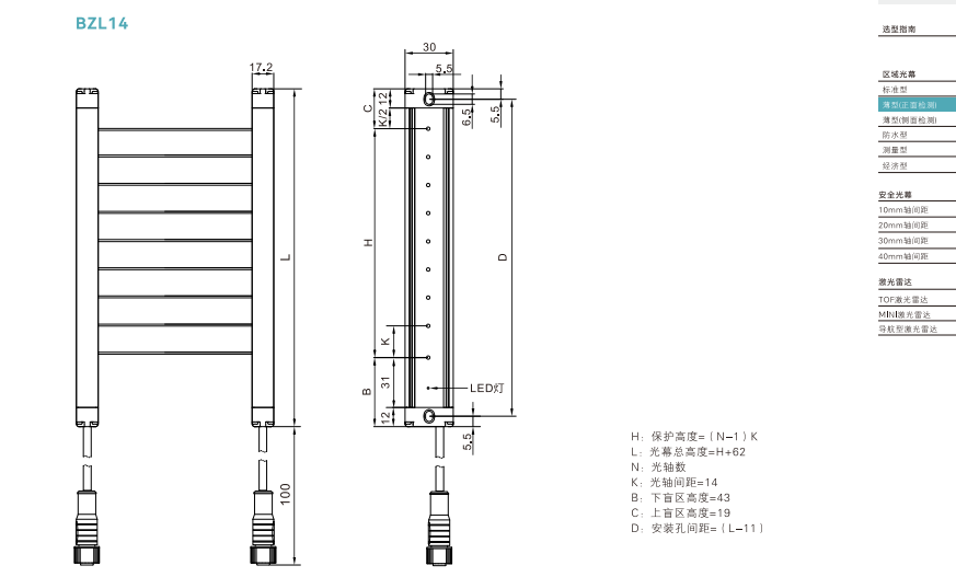
エリア安全バリアセンサ-薄型(正面検出)-BZLシリーズ
关键词:虹福科技(天津)有限公司
日期:2023-12-08 13:51:50
我要分享
領域安全バリアセンサ-薄型(側面検出)-BCLシリーズ
地域安全バリアセンサー-標準型-BMLシリーズ
返回