最初のページ
HOME
私たちについて
ABOUT
会社の概要
執務環境
パートナー
工業製品
Product
タツタ電線
明治センサー
スイデン
精奇科技
森本精密
万鑫精工
工業情報
News
お問い合わせ
Contact us
中文
/
JPN
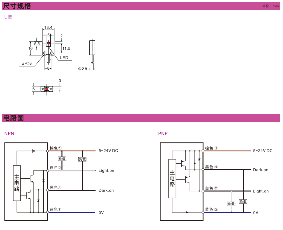
スロット型センサ-マイクロスロット型
关键词:虹福科技(天津)有限公司
日期:2024-01-26 16:43:53
我要分享
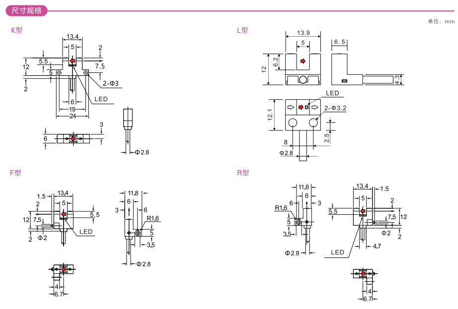
スロット型センサ-スロット型
スロットセンサー-タイプ選択ガイド
返回