最初のページ
HOME
私たちについて
ABOUT
会社の概要
執務環境
パートナー
工業製品
Product
タツタ電線
明治センサー
スイデン
精奇科技
森本精密
万鑫精工
工業情報
News
お問い合わせ
Contact us
中文
/
JPN
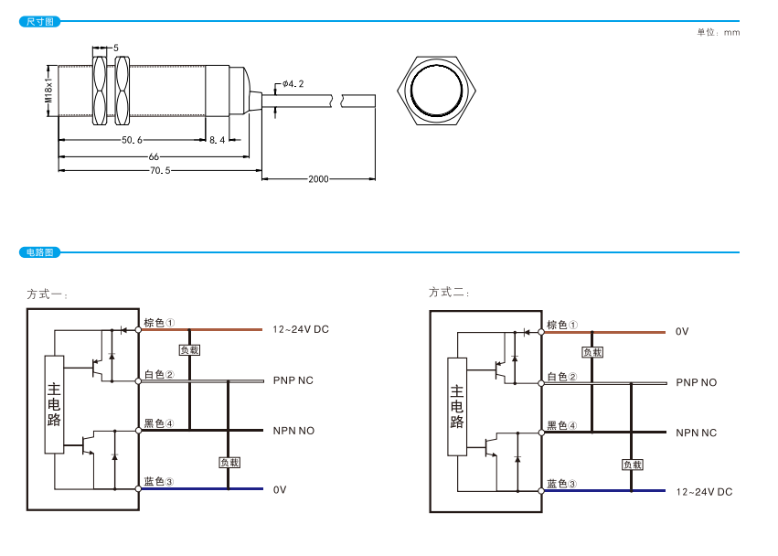
近接センサ-耐腐食型
关键词:虹福科技(天津)有限公司
日期:2024-02-04 16:16:15
我要分享
近接センサ-フラットタイプ-ケーブルタイプ
近接センサ-円筒型-樹脂ケース
返回