最初のページ
HOME
私たちについて
ABOUT
会社の概要
執務環境
パートナー
工業製品
Product
タツタ電線
明治センサー
スイデン
精奇科技
森本精密
万鑫精工
工業情報
News
お問い合わせ
Contact us
中文
/
JPN
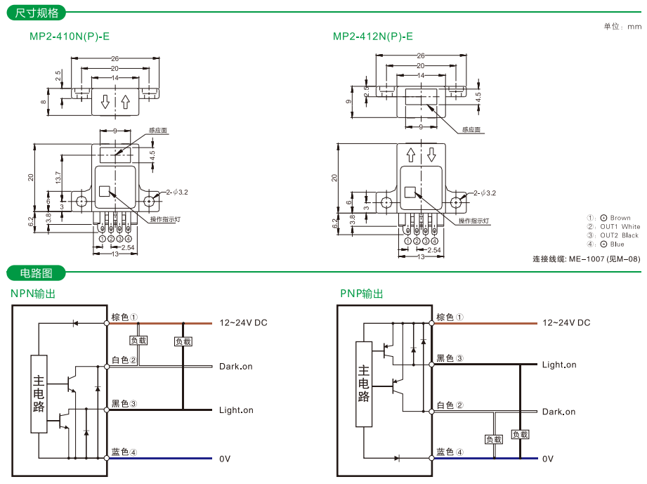
光電センサ-フラット型-MP 2シリーズ-拡散反射-プラグ
关键词:虹福科技(天津)有限公司
日期:2024-04-02 14:13:00
我要分享
光電センサー-超薄型-ESLシリーズ-限定反射-拡散反射-対射
光電センサ-フラット型-MP 2出力シリーズ-拡散反射-2 m+3コアケーブル
返回