最初のページ
HOME
私たちについて
ABOUT
会社の概要
執務環境
パートナー
工業製品
Product
タツタ電線
明治センサー
スイデン
精奇科技
森本精密
万鑫精工
工業情報
News
お問い合わせ
Contact us
中文
/
JPN
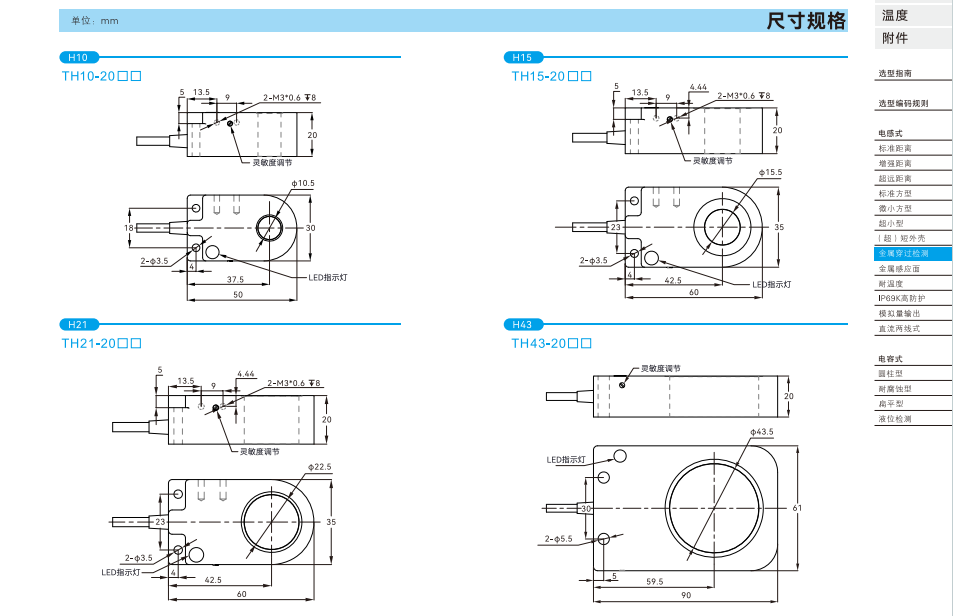
近接センサ-金属通過検出-ケーブル式
关键词:虹福科技(天津)有限公司
日期:2024-04-08 13:56:43
我要分享
近接センサ-金属誘導面-ケーブル式
近接センサ-短殻-汎用短殻
返回