最初のページ
HOME
私たちについて
ABOUT
会社の概要
執務環境
パートナー
工業製品
Product
タツタ電線
明治センサー
スイデン
精奇科技
森本精密
万鑫精工
工業情報
News
お問い合わせ
Contact us
中文
/
JPN
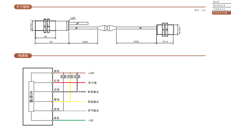
超音波センサ-二枚張り検出センサ-MUDシリーズ
关键词:虹福科技(天津)有限公司
日期:2024-04-15 17:30:50
我要分享
ディープラーニングカメラ-meiji AIVプラットフォーム
超音波センサ-フォーク型液位スイッチ-MXシリーズ
返回