最初のページ
HOME
私たちについて
ABOUT
会社の概要
執務環境
パートナー
工業製品
Product
タツタ電線
明治センサー
スイデン
精奇科技
森本精密
万鑫精工
工業情報
News
お問い合わせ
Contact us
中文
/
JPN
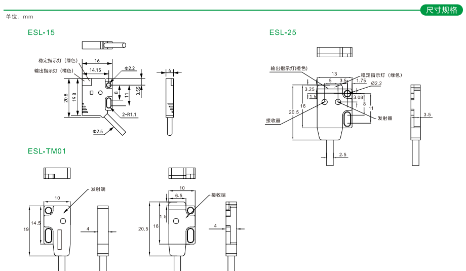
光電センサー-超薄型-ESLシリーズ-限定反射-拡散反射-対射
关键词:虹福科技(天津)有限公司
日期:2024-05-08 15:19:41
我要分享
光電センサ-背景抑制型-ESBシリーズ-拡散反射-2 M+3コアケーブル
光電センサ-フラット型-MP 2シリーズ-拡散反射-プラグ
返回