最初のページ
HOME
私たちについて
ABOUT
会社の概要
執務環境
パートナー
工業製品
Product
タツタ電線
明治センサー
スイデン
精奇科技
森本精密
万鑫精工
工業情報
News
お問い合わせ
Contact us
中文
/
JPN
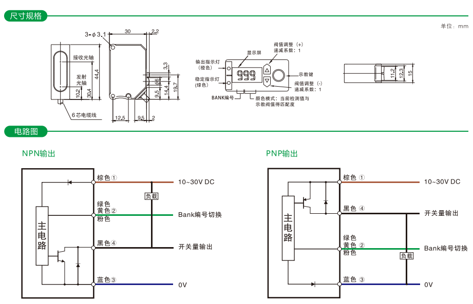
光電センサ-スケール+色検出型-ESCシリーズ-拡散反射
关键词:虹福科技(天津)有限公司
日期:2024-05-08 15:24:36
我要分享
光電センサ-スケール+色検出型-ESEシリーズ-拡散反射
光電センサー-透明健康診断型-ESTシリーズ-回帰反射-2 M+3芯ケーブル
返回