最初のページ
HOME
私たちについて
ABOUT
会社の概要
執務環境
パートナー
工業製品
Product
タツタ電線
明治センサー
スイデン
精奇科技
森本精密
万鑫精工
工業情報
News
お問い合わせ
Contact us
中文
/
JPN
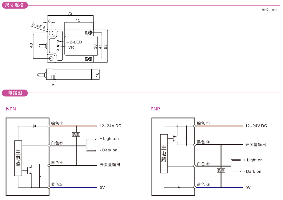
スロット型センサ-ワイドスロット型-KLMシリーズ-2 M+4コアケーブル
关键词:虹福科技(天津)有限公司
日期:2024-07-10 11:00:53
我要分享
スロット型センサ-ラベル検出型-KLMシリーズ-NPN+PNP
スロット型センサ-ワイドスロット型-KLMシリーズ-M 8-4ピンプラグ
返回