最初のページ
HOME
私たちについて
ABOUT
会社の概要
執務環境
パートナー
工業製品
Product
タツタ電線
明治センサー
スイデン
精奇科技
森本精密
万鑫精工
工業情報
News
お問い合わせ
Contact us
中文
/
JPN
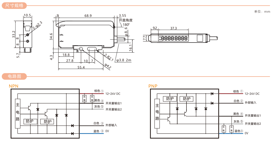
光ファイバセンサ-PC 1超高速応答型デュアルデジタル光ファイバ増幅器
关键词:虹福科技(天津)有限公司
日期:2024-10-12 10:57:54
我要分享
光ファイバセンサ-色センサ-PC 3白色光源型デュアルデジタル光ファイバ増幅器
光ファイバセンサ-PE 1標準型デュアルデジタル光ファイバ増幅器
返回