最初のページ
HOME
私たちについて
ABOUT
会社の概要
執務環境
パートナー
工業製品
Product
タツタ電線
明治センサー
スイデン
精奇科技
森本精密
万鑫精工
工業情報
News
お問い合わせ
Contact us
中文
/
JPN
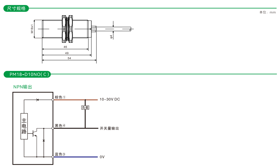
光電センサ-円筒型-PM 18シリーズ-経済型-拡散反射-対射
关键词:虹福科技(天津)有限公司
日期:2025-11-06 11:40:09
我要分享
光電センサ-TOF型光電-PM 18-TFシリーズ-反射
光電センサ-円筒型-PM 18シリーズ-拡散反射-対射-回帰反射
返回