最初のページ
HOME
私たちについて
ABOUT
会社の概要
執務環境
パートナー
工業製品
Product
タツタ電線
明治センサー
スイデン
精奇科技
森本精密
万鑫精工
工業情報
News
お問い合わせ
Contact us
中文
/
JPN
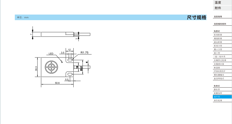
近接センサー-フラットタイプ-ケーブルタイプ
关键词:虹福科技(天津)有限公司
日期:2025-12-26 11:37:24
我要分享
近接センサ-液位検出-ケーブル式
近接センサ-耐腐食型
返回