最初のページ
HOME
私たちについて
ABOUT
会社の概要
執務環境
パートナー
工業製品
Product
タツタ電線
明治センサー
スイデン
精奇科技
森本精密
万鑫精工
工業情報
News
お問い合わせ
Contact us
中文
/
JPN
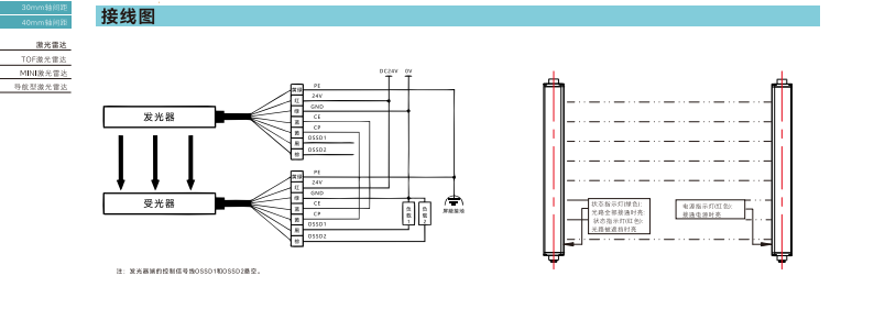
エリア安全バリアセンサ-安全スクリーン-SAFシリーズ
关键词:虹福科技(天津)有限公司
日期:2025-12-30 11:42:16
我要分享
エリア安全バリアセンサ-TOFレーザレーダ-AS-21 41 C
地域安全バリアセンサ-経済型-BKLシリーズ
返回