最初のページ
HOME
私たちについて
ABOUT
会社の概要
執務環境
パートナー
工業製品
Product
タツタ電線
明治センサー
スイデン
精奇科技
森本精密
万鑫精工
工業情報
News
お問い合わせ
Contact us
中文
/
JPN
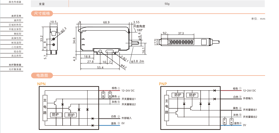
光ファイバセンサ-高速応答型-PC 1
关键词:虹福科技(天津)有限公司
日期:2023-12-05 09:51:34
我要分享
光ファイバセンサ-カラーセンサ-PC 3
光ファイバセンサ-標準型-PE 1
返回