最初のページ
HOME
私たちについて
ABOUT
会社の概要
執務環境
パートナー
工業製品
Product
タツタ電線
明治センサー
スイデン
精奇科技
森本精密
万鑫精工
工業情報
News
お問い合わせ
Contact us
中文
/
JPN
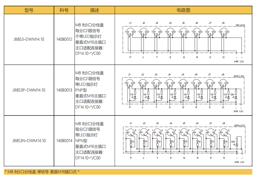
M 8 8分口分線箱-単信号-垂直M 16ソケット式
关键词:虹福科技(天津)有限公司
日期:2023-08-28 14:14:00
我要分享
M 8 8分口分線箱-単信号-直出線式
M 8 4タップ分線箱-デュアル信号-直出線式
返回